西安西馳電氣股份有限公司(證券代碼831081),成立于2002年,是一家專業從事電力電子產品研發、制造、銷售的高新技術企業。
了解更多
1、選擇合適的外部熔斷器:避免因內部短路對社流器件的損壞,變頻器的型號確定后,若變頻器內部整流電路前沒有保護可控硅器件的快速熔斷器.則變頻器與電源之間應配置特合要求的熔斷器和隔離開...
了解詳情 +CMC-MX內置旁路軟起動器故障代碼表當軟起動器保護功能動作時,軟起動器立即停機,顯示屏顯示當前故障。用戶可根據故障內容進行故障分析。顯示狀態說明處理方法STOP給出起動信號電機無...
了解詳情 +1、軟啟動器的安裝和維護需由合格的專業人員進行。2、嚴禁使用高壓測試設備(如兆歐表)測試軟啟動器的絕緣。3、如果要求電動機可逆運行,可以在進線側裝一個反轉接觸器,注意不要裝在軟起動...
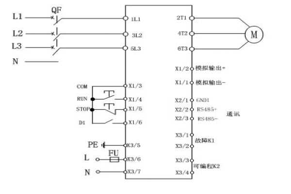
了解詳情 +一、基本接線原理圖:軟起動器端子1L1、3L2、5L3接三相電源, 2T1、4T2、6T3接電動機。無需外接旁路接觸器,軟起動器可通過參數設定選擇是否檢測相序。二、三角形內接連接圖...
了解詳情 +在選擇合適的功率控制器(電力調整器)之前我們必須知道的是它的作用是什么?我公司所推出的CPC功率控制器是通過對電壓、電流和功率的精確控制,從而實現對負載的精密調節作用。并且憑借其先...
了解詳情 +
Copyright ? 2019 西安西馳電氣股份有限公司 保留所有版權 陜ICP備09009982號-1
陜公安備 61019002000087