西安西馳電氣股份有限公司(證券代碼831081),成立于2002年,是一家專業從事電力電子產品研發、制造、銷售的高新技術企業。
了解更多
一、基本接線原理圖:
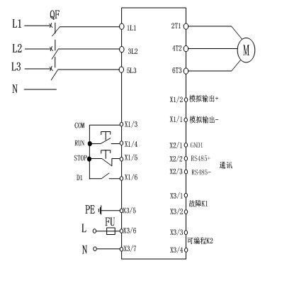
軟起動器端子1L1、3L2、5L3接三相電源, 2T1、4T2、6T3接電動機。無需外接旁路接觸器,軟起動器可通過參數設定選擇是否檢測相序。
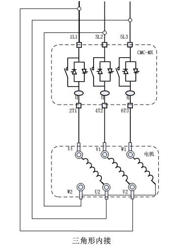
二、三角形內接連接圖:
若用戶使用三角形內接連接時,用戶必須嚴格按照下圖進行連接,否則有可能導致電機或軟起損壞。本機在啟動前會對電機接線進行判斷,若接線錯誤軟起會報接線錯誤故障。
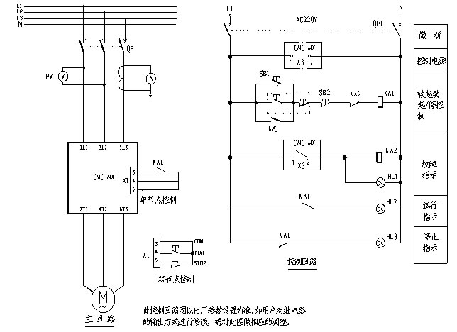
三、典型應用接線圖:

注意:
1、上圖所示為單節點控制方式。接點閉合軟起動起動,接點打開軟起動器停止。但要注意這種接線LED面板起動操作無效。端子3、4、5起停信號是一個無源節點。
2、PE接地線應盡可能短,接于距軟起動器最近的接地點,合適的接地點應位于安裝板上緊靠軟起動器處,安裝板也應接地,此處接地為功能地而不是保護接地。
Copyright ? 2019 西安西馳電氣股份有限公司 保留所有版權 陜ICP備09009982號-1
陜公安備 61019002000087